1. Thông số kỹ thuật bồn cầu nắp rửa cơ INAX AC-900R+CW-S15VN
- Tên sản phẩm: bồn cầu nắp rửa cơ INAX AC-900R+CW-S15VN
- Mã sản phẩm: AC-900R+CW-S15VN
- Bồn cầu nắp rửa cơ INAX AC-900R/CW-S15VN không sử dụng điện, tiết kiệm nước
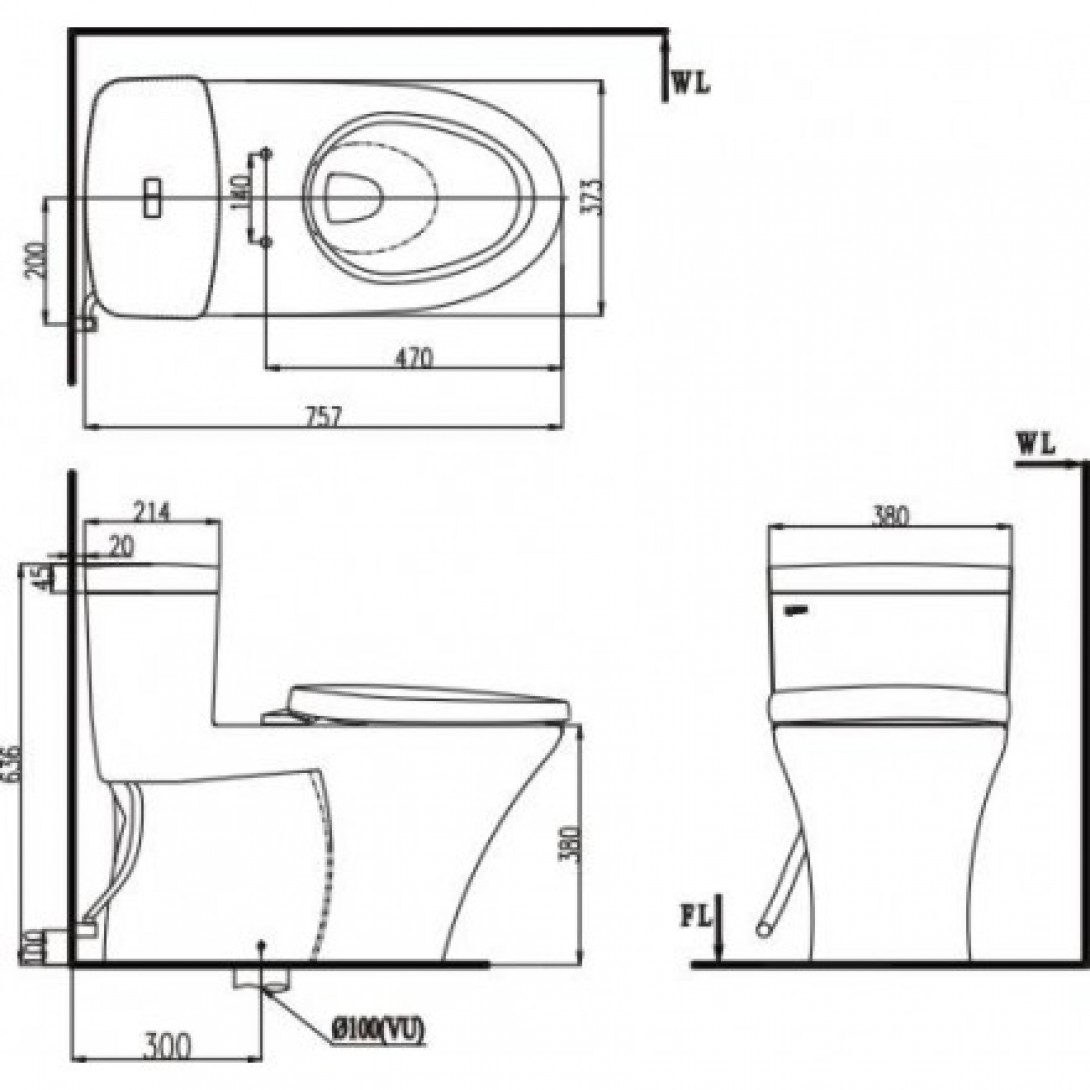
- Kích thước bồn cầu: 757x380x636 (dài x rộng x cao)
- Kích thước nắp: 370 x 500 x 60 mm (dài x rộng x cao)
- Tâm thoát bồn cầu : 300mm (+-5)
- Công nghệ xả mạnh mẽ và tối ưu
- Kiểu xả nhấn 2 mức nước: 5L/3.5L
- Bao gồm đế thải nước T-82V
- Bao gồm van khóa nước A-703-4
- Áp suất nước cấp vào nắp S15: 0.03-0.75 MPa, (0.3 – 7.5kgf/cm²)
- Trọng lượng nắp rửa cơ Inax CW-S15VN : ~ 3kg
- Màu sắc: Trắng
2. Ưu điểm của bồn cầu nắp rửa cơ INAX AC-900R+CW-S15VN
- Có chức năng rửa trước và rửa sau
- Dùng nước lạnh, phù hợp được với những vùng có áp lực nước thấp
- Nước cấp: Nối trực tiếp từ đường ống nước
- Chứng nhận chất lượng:Tiêu chuẩn quốc tế về quản lý chất lượng ISO-9001 & Tiêu chuẩn quốc tế về quản lý môi trường ISO-14001.
- Công nghệ men AQUA CERAMIC giúp bồn cầu trắng sáng 100 năm
- Thiết kế thông minh: Tối giản những góc cạnh, giúp dể dàng vệ sinh
- Tính năng vượt trội: Công nghệ xả rửa mạnh mẽ, cuốn trôi mọi vết bẩn
- Lợi ích tối ưu: Thiết kế phù hợp với nhiều không gian, tính năng mới, tiện nghi cho người sữ dụng
- Chiều cao phù hợp: Tạo cảm giác thoải mái khi sữ dụng
- Bồn cầu 1 khối thân kín: dể vệ sinh
3. Bản vẽ bồn cầu nắp rửa cơ INAX AC-900R+CW-S15VN

4. Hướng dẫn lắp đặt bồn cầu nắp rửa cơ INAX AC-900R+CW-S15VN




5. Đặt mua bồn cầu nắp rửa cơ INAX AC-900R+CW-S15VN
Nếu quý khách đang quan tâm về bồn cầu nắp rửa cơ INAX AC-900R+CW-S15VN, quý khách cần tư vấn chi tiết và báo giá về sản phẩm, hãy liên hệ ngay với Nguyễn Gia theo thông tin sau đây để được tư vấn báo giá nhanh chóng.
Nhà Phân Phối Thiết Bị Vệ Sinh INAX
Địa chỉ Showroom: 403 Nguyễn Oanh, Phường 17, Quận Gò Vấp, Tp. Hồ Chí Minh
Hotline Mobile: 0933.553.879
Hotline Viettel: 0866.177.222
Tư vấn kỹ thuật: 028.2200.7979
Website: inax-vietnam.com